AD8148: 用于宽带视频的三路差分驱动器

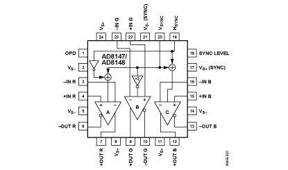
功能框图AD8146/AD8147/AD8148均为三路、高速、差分或单端输入至差分输出驱动器。AD8146和AD8147具有固定增益2,AD8148具有固定增益4。三款器件均专为最高分辨率分量视频信号而设计,但也可用于在5类UTP电缆或差分印刷电路板(PCB)传输线路上传输任何类型的模拟信号或高速数据。这些器件可以配合三路差分至单端接收器AD8145和交叉点开关AD8117使用,以便获得能够支持UXGA或1080p信号的视频分配系统。

这些驱动器采用ADI公司的第二代XFCB双极性工艺制造,具有700 MHz大信号带宽和快速压摆率。三者均具有内部共模反馈特性,在50 MHz时可提供于-60 dB达成的输出振幅和相位匹配平衡,能够抑制偶数阶谐波并使辐射电磁干扰(EMI)降至最小。AD8146输出的共模电压可以设置为任何电平,以便在共模电压上传输信号。AD8147和AD8148可在输出的共模电压下对垂直和水平同步信号进行编码。所有输出均可独立地设置为低压状态,以便配合串联二极管进行线路隔离,方便在同一双绞线电缆上进行差分多路复用。AD8146/AD8147/AD8148采用24引脚LFCSP封装,工作温度范围为−40°C至+85°C。

技术特性
  1. 三路高速完全差分驱动器
    −3 dB、2 V峰峰值带宽(AD8146/AD8148):
    700 MHz
    −3 dB、2 V峰峰值带宽(AD8147):600 MHz
    0.1 dB、2 V峰峰值带宽:200 MHz
    压摆率:3000 V/µs
  2. 固定增益(AD8146/AD8147:G = 2,AD8148:G = 4)
  3. 差分或单端输入至差分输出可以用作差分至差分接收器
  4. 驱动1条或2条100 Ω UTP电缆
  5. 可调输出共模电压(AD8146)
  6. 内部共模反馈网络输出平衡误差:-50 dB (50 MHz)
  7. 片内共模同步编码(AD8147/AD8148)
  8. 用于线路隔离的输出下拉特性
  9. 低功耗:57 mA(5 V,3个驱动器,AD8146)
  10. 宽电源电压范围:+5 V至±5 V
  11. 提供4 mm x 4 mm小型LFCSP封装
技术指标
  • -3 dB BW (MHz): 700MHz
  • 0.1 dB Flatness (MHz): 235
  • Minimum Gain (Acl): 4
  • Slew Rate (V/us): 3000V/µs
  • Pos Supply: +4.5V to +5.5V
  • Supply Current : 62.5mA
  • Features: Sync on Common Mode
应用领域
  • QXGA或1080p视频传输
  • KVM网络
  • 无屏蔽双绞线(UTP)视频传输
  • 差分信号多路复用
订购指南
产品型号 封装 引脚 温度范围 包装和数量 报价*(100-499) 报价*1000 pcs RoHS
AD8148ACPZ-R2 产品状态: 量产 24 ld LFCSP (4x4mm w/2.10mm EP) 24 工业 Reel, 250 $ 3.68 $ 3.68 Y  材料信息
AD8148ACPZ-R7 产品状态: 量产 24 ld LFCSP (4x4mm w/2.10mm EP) 24 工业 Reel, 1500 - $ 3.13 Y  材料信息
AD8148ACPZ-RL 产品状态: 量产 24 ld LFCSP (4x4mm w/2.10mm EP) 24 工业 Reel, 5000 - $ 3.13 Y  材料信息
AD8148 应用技术支持与电子电路设计开发资源下载
  1. AD8148 数据手册DataSheet 下载 Rev 0, 05/2007 (pdf 574kB). pdf
  2. ADI 模拟器件公司比较器产品选型指南 . pdf
  3. Analog Devices, Inc. 美国模拟器件公司产品订购手册 .pdf