KC42 脉冲列调制形成器主要适用于作可控硅三相桥式全控整流电路的脉冲列调制源。同样也适用于三相半控,单相全控,单相半控线路中作脉冲列调制源。电路具有脉冲占空比可调性好,频率调节范围宽,触发脉冲上升沿可与调制信号同步等优点。KC42 电路也可作为可控制的方波发生器用于其它的电子线路中。
KC42 概述
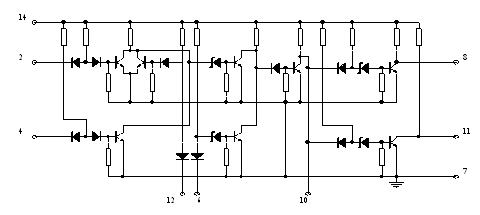
KC42 电路内部原理图见图(1),应用实例图见图(2)。以三相全控桥式电路为例,来自三块触发器(KC04或KC09)13#端的触发脉冲信号分别送入KC42电路的2#,4#,12#端,由T1、T2、T3进行节点逻辑或组合。T5、T6、T8组成一个环形振荡器,由T4的集电极输出来控制环形振荡器的起振和停振,当没有输入脉冲时,T4导通振荡器停振。反之T4截止振荡器起振。T6集电极输出是一系列与来自三相六个触发脉冲的前沿同步间隙60°的脉冲。经T7倒相放大分别输入三块触发器(KC04或KC09)的14#端。此时从KC04或KC09电路的1#和15#端输出是调制后的脉冲列触发脉冲。调制脉冲的频率由外接电容C2和R1、R2决定见下式:
![]()
式中f—频率,T1、T2 —导通半周和截止半周的时间
改变R1、R2的比例可以得到满意的调制脉冲占空比。各点波形见图(3)。如将KC42电路用于单相整流电路中则2#、4#、12#三个输入端只需用一个,其它二个接低电位(0V)。

5.1幅度≥13V
5.2最大输出能力:≤12mA
