TDA7562B Intelligent quad BTL output power amplifier with full I²C diagnostics (permanent and ac) and stand-by/mute input

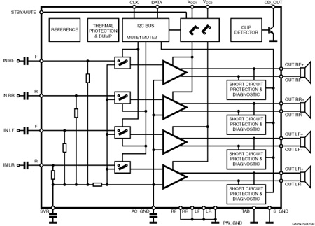
The TDA7562B is a new BCD technology quad bridge type of car radio amplifier in Flexiwatt27 package specially intended for car radio applications.

Thanks to the DMOS output stage the TDA7562B has a very low distortion allowing a clear powerful sound.

This device is equipped with a full diagnostics array that communicates the status of each speaker through the I²C bus.

The possibility to control the configuration and behavior of the device by means of the I²C bus makes TDA7562B a very flexible machine.

技术特性
  • MOSFET output power stage
  • High output power capability 4 x 25 W/4 Ω @ 14.4 V, 1 kHz, 10 % THD
  • Max. output power 4 x 68 W/2 Ω, 4 x 42 W/4 Ω @ 14.4 V
  • Full I²C bus driving:
    • Standby
    • Independent front/rear soft play/mute
    • Selectable gain 30 dB - 16 dB
    • I²C bus digital diagnostics
  • Full fault protection
  • DC offset detection
  • Four independent short circuit protection
  • Clipping detector (2 % / 10 %)
  • Standby/mute pin
  • ESD protection
功能框图
TDA7562B 订购信息
订购型号 产品状态 美金价格 数量 封装 包装形式 温度范围 材料声明
TDA7562B Active 6.776 1000 FLEXIWATT 27 HB Tube   TDA7562B
TDA7562B Active 6.776 1000 FLEXIWATT FM2 27 Tube   TDA7562B
DATASHEET
描述 版本 大小
TDA7562B:4 x 46 W multifunction quad power amplifier with built-in diagnostics features 2 449KB