TDA7850A Quad BTP output with HSD, offset detection , stand-by and mute inputs
The TDA7850A is a breakthrough MOSFET technology class AB audio power amplifier in Flexiwatt27 package designed for high power car radio. The fully complementary P-Channel/N-Channel output structure allows a rail to rail output voltage swing which, combined with high output current and minimized saturation losses sets new power references in the car-radio field, with unparalleled distortion performances.
The TDA7850A integrates a DC offset detector.
技术特性
- High output power capability:
- 4 x 30 W/4 Ω @ 14.4 V, 1 kHz, 10 %
- 4 x 55 W/2 Ω @ 14.4 V, 1 kHz, 10 %
- MOSFET output power stage
- Excellent 2 Ω driving capability
- Hi-fi class distortion
- Low output noise
- Standby function
- Mute function
- Automute at min. supply voltage detection
- Low external component count:
- Internally fixed gain (26 dB)
- On board 0.35 A high side driver
- Protections:
- Output short circuit to GND, to Vs, across the load
- Overrating chip temperature with soft thermal limiter
- Output DC offset detection
|
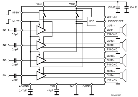
功能框图
 |
TDA7850A 订购信息
| 订购型号 |
产品状态 |
美金价格 |
数量 |
封装 |
包装形式 |
温度范围 |
材料声明 |
| TDA7850A |
Active |
8.047 |
1000 |
FLEXIWATT FM2 27 |
Tube |
|
TDA7850A |
| TDA7850AH |
Active |
8.047 |
1000 |
FLEXIWATT 27 HB |
Tube |
|
TDA7850AH |
DATASHEET
| 描述 |
版本 |
大小 |
| DS5524 : 4 x 50 W MOSFET quad bridge power amplifier |
3 |
239KB |