LT6604-10 - 双通道、非常低噪声、差分放大器和 10MHz 低通滤波器

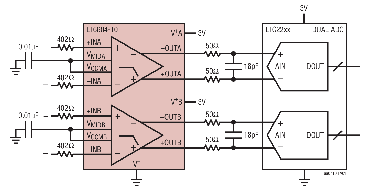
LT®6604-10 包含两个匹配的全差分放大器,它们各具有一个四阶、10MHz 低通滤波器。固定频率低通滤波器近似一个切比雪夫响应。通过集成一个滤波器和一个差分放大器,该器件实现了极低的失真和噪声。在单位增益条件下,测得的带内信噪比达到了令人注目的 82dB。在较高的增益条件下,输入参考噪声下降,于是,该器件能够处理较小的输入差分信号,而不会使信噪比发生显著的劣化。 两个通道之间的增益和相位高度匹配。每个通道的增益采用两个外部电阻器来独立地设置。通过提供一个可调输出共模电压,LT6604-10 实现了电平移位,从而使其非常适合于直接连接至 ADC。 LT6604-10 的技术规格针对3V工作电压进行了全面的拟订。当采用单 3V 电源时,该差分设计在高达 2VP-P 的信号电平条件下实现了出色的性能。如需了解具集成 2.5MHz 至 20MHz 低通滤波器相关单通道和双通道差分放大器的完整列表,请见本数据表的最后一页。

特点
  • 具 10MHz 低通滤波器的双通道差分放大器      四阶滤波器      近似切比雪夫 (Chebyshev) 响应      保证相位和增益匹配      可利用电阻器来设置的差分增益
  • 82dB 信噪比 (3V 电源,2VP-P 输出)
  • 低失真,2VP-P 输出,800Ω 负载    1MHz:88dBc (二阶),97dBc (三阶)    5MHz:74dBc (二阶),77dBc (三阶)
  • 针对 3V、5V 和 ±5V 工作电源来拟订技术规格
  • 全差分输入和输出
  • 可调输出共模电压
  • 小外形 4mm x 7mm x 0.75mm QFN 封装
典型应用
LT6604-10 Typical Application
LT6604-10 Typical Application
应用
  • 双通道差分 ADC 驱动器和滤波器
  • 单端至差分转换器
  • 匹配、双通道、差分滤波器
  • 差分信号的共模变换
  • 无线基础设施或网络应用中的高速 ADC 抗混叠和 DAC 滤波处理
  • 高速测试和测量设备
  • 医学成像
封装信息
LT6604-10 Package Drawing
Order Information 订购型号
器件型号封装温度价格 (以 1 ~ 99 片为批量)价格 (以 1000 片为批量) *
LT6604CUFF-10#PBF4x7 QFN-34C$9.30$6.50
LT6604CUFF-10#TRPBF4x7 QFN-34C$6.56
LT6604IUFF-10#PBF4x7 QFN-34I$10.65$7.45
LT6604IUFF-10#TRPBF4x7 QFN-34I$7.51
演示电路板
器件型号描述价格
DC1418A-CLT6604-10 Dual Matched 10MHz 4th Order LP Filter Demo Board$125.00
数据表
可靠性数据
产品选择卡
文章
CAD 符号
相关产品
LT6604-10 - Dual Very Low Noise, Differential Amplifier and 10MHz Lowpass Filter
将直接转换推向奈奎斯特带宽所面临的挑战
R537 - Reliability Data
High Speed Amplifiers/ADC Drivers
Broadband Active Filters Solve Signal Processing Accuracy and Matching Problems - HFE Apr 2009
LT6604-10 Footprints and Symbols