LTC2410 - 具差分输入和差分基准的 24 位、无延迟增量累加 ΔΣ ADC

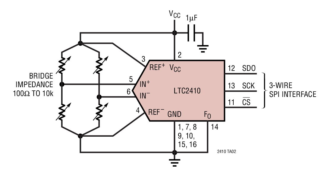
LTC®2410 是一款具集成型振荡器、2ppm INL 和 0.16ppm RMS 噪声的 2.7V 至5.5V 微功率、24 位差分 ΔΣ 模数转换器。该器件采用增量-累加技术并提供了适合多路复用应用的单周期稳定时间。可通过单个引脚对 LTC2410 进行配置以在 50Hz 或 60Hz ±2% 频率下实现优于 110dB 的输入差模抑制,也可针对一个用户定义的抑制频率由一个外部振荡器来驱动 LTC2410。内部振荡器无需外部频率设定组件。

该转换器接受介于 0.1V 至 VCC 之间的任何外部差分基准电压,可提供灵活的比例式和远端采样测量配置。全标度差分输入范围为 –0.5VREF 至 0.5VREF。基准共模电压 VREFCM 和输入共模电压 VINCM 可独立地设定在 LTC2410 的 GND 至 VCC 范围之内。DC 共模输入抑制性能优于 140dB。

LTC2410 通过一个与 SPI 和 MICROWIRE 协议相兼容的灵活三线式数字接口进行通信。

特点
  • 差分输入和具 GND 至 VCC 共模范围的差分基准
  • 2ppm INL,无漏失码
  • 2.5ppm 全标度误差
  • 0.1ppm 偏移
  • 0.16ppm 噪声
  • 适合多路复用应用的单次转换稳定时间
  • 内部振荡器 — 无需外部组件
  • 110dB 最小值、50Hz 或 60Hz 陷波滤波器
  • 采用窄体 SSOP-16 封装 (SO-8 封装占板面积) 的 24 位 ADC
  • 2.7V 至 5.5V 单工作电源
  • 低电源电流 (200μA) 和自动停机
  • LTC2400 的全差分版本
典型应用
LTC2410 Typical Application
LTC2410 Typical Application
应用
  • 直接传感器数字转换器
  • 衡器
  • 直接温度测量
  • 气体分析仪
  • 应变仪换能器
  • 仪表
  • 数据采集
  • 工业过程控制
  • 6 位数字电压表 (DVM)
封装信息
LTC2410 Package Drawing
Order Information 订购型号
器件型号封装温度价格 (以 1 ~ 99 片为批量)价格 (以 1000 片为批量) *
LTC2410CGN#PBFSSOP-16C$7.10$5.50
LTC2410CGN#TRPBFSSOP-16C$5.56
LTC2410IGN#PBFSSOP-16I$8.10$6.25
LTC2410IGN#TRPBFSSOP-16I$6.31
演示电路板
器件型号描述价格
DC575ALTC2410CGN | 24-Bit Differential ADC (req DC590)$50.00
Companion Boards
器件型号描述价格
DC590BIsolated USB Serial Controller for Linear Technology QuikEval-Compatible Demo Boards$50.00
数据表
应用指南
可靠性数据
产品选择卡
LT Journal
CAD 符号
相关产品
LTC2410 - 24-Bit No Latency Delta Sigma ADC with Differential Input and Differential Reference
AN86 - A Standards Lab Grade 20-Bit DAC with 0.1ppm/° Drift: The Dedicated Art of Digitizing One Part Per Million
AN96 - Delta Sigma ADC Bridge Measurement Techniques
R411 Reliability Data
No Latency Delta-Sigma™ ADCs
Feb 2004 Easy-to-Use Spread Spectrum Clock Generator Reduces EMI and More
May 2001 No Latency Delta-Sigma ADC Techniques for Optimized Performance
May 2001 Using Bipolar Preamplifiers in an LTC2411-Based Correlated Double Sampling Scheme Produces a Noise Floor of Under 100nVRMS
Nov 2000 A New, Fully Differential, No Latency Delta-Sigma ADC Family
LTC2410 Footprints and Symbols