LTC2412 - 2 通道、差分输入、 24 位、无延迟增量累加 ΔΣ ADC

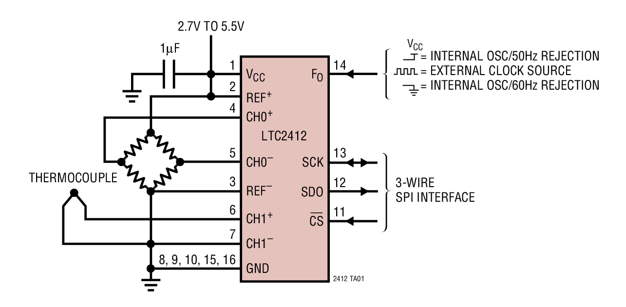
LTC®2412 是一款具集成型振荡器的 2 通道、差分输入、微功率、24 位无延迟增量累加ΔΣ (No Latency ΔΣ™) 模数转换器。该器件可在整个电源范围内提供 2ppm INL 和 0.16ppm RMS 噪声。两个差分通道交替转换,并在转换结果中包括了通道 ID。其采用增量-累加技术并提供了数字滤波器的单次转换稳定。可通过单个引脚对 LTC2412 进行配置以在 50Hz 或 60Hz ±2% 频率下实现优于 110dB 的输入差模抑制,也可针对一个用户定义的抑制频率由一个外部振荡器来驱动 LTC2412。内部振荡器无需外部频率设定组件。

该转换器接受介于 0.1V 至 VCC 之间的任何外部差分基准电压,可提供灵活的比例式和远端采样测量配置。全标度差分输入范围为 –0.5VREF 至 0.5VREF。基准共模电压 VREFCM 和输入共模电压 VINCM 可独立地设定在 GND 至 VCC 的范围之内。DC 共模输入抑制性能优于 140dB。

LTC2412 通过一个与 SPI 和 MICROWIRE 协议相兼容的灵活三线式数字接口进行通信。

特点
  • 具自动通道选择功能 (往复式) 的 2 通道差分输入
  • 低电源电流:200μA,在自动睡眠模式中为 4μA
  • 差分输入和具 GND 至 VCC 共模范围的差分基准
  • 2ppm INL,无漏失码
  • 2.5ppm 全标度误差和 0.1ppm 偏移
  • 0.16ppm 噪声,22.5 有效位数
  • 无延迟:数字滤波器可在单个周期内实现稳定,而且每个通道转换是准确的
  • 内部振荡器 – 无需外部组件
  • 110dB 最小值、50Hz 或 60Hz 陷波滤波器
  • 窄体 SSOP-16 封装
  • 2.7V 至 5.5V 单工作电源
典型应用
LTC2412 Typical Application
LTC2412 Typical Application
应用
  • 直接传感器数字转换器
  • 衡器
  • 直接温度测量
  • 气体分析仪
  • 应变仪换能器
  • 仪表
  • 数据采集
  • 工业过程控制
  • 6 位数字电压表 (DVM)
封装信息
LTC2412 Package Drawing
Order Information 订购型号
器件型号封装温度价格 (以 1 ~ 99 片为批量)价格 (以 1000 片为批量) *
LTC2412CGN#PBFSSOP-16C$5.50$4.75
LTC2412CGN#TRPBFSSOP-16C$4.81
LTC2412IGN#PBFSSOP-16I$6.30$5.45
LTC2412IGN#TRPBFSSOP-16I$5.51
演示电路板
器件型号描述价格
DC746ALTC2412CGN | 2 Channel 24-Bit Differential ADC (req DC590)$50.00
Companion Boards
器件型号描述价格
DC590BIsolated USB Serial Controller for Linear Technology QuikEval-Compatible Demo Boards$50.00
数据表
可靠性数据
产品选择卡
CAD 符号
Linduino
相关产品
LTC2412 - 2-Channel Differential Input 24-Bit No Latency Delta Sigma ADC
R411 Reliability Data
No Latency Delta-Sigma™ ADCs
LTC2412 Footprints and Symbols
LTC2412 - DC746A Linduino .INO File
LTC2412 Linduino .CPP File
LTC2412 Linduino Header File