EL7232: Dual Channel, High Speed, High Current Line Driver with 3-State

The EL7232 3-state drivers are particularly well suited for ATE and microprocessor based applications. The low quiescent power dissipation makes this part attractive in battery applications. The 2A peak drive capability, makes the EL7232 an excellent choice when driving high speed capacitive lines, as well. The input circuitry provides level shifting from TTL levels to the supply rails. The EL7232 is available in 8 Ld PDIP and 8 Ld SO packages.

Key Features
  • 3-State output
  • 3V and 5V input compatible
  • Clocking speeds up to 10MHz
  • 20ns Switching/delay time
  • 2A Peak drive
  • Low, matched output impedance 5Ω
  • Low quiescent current 2.5mA
  • Wide operating voltage 4.5V to 16V
  • Pb-free available (RoHS compliant)
Applications
  • Parallel bus line drivers
  • EPROM and PROM programming
  • Motor controls
  • Charge pumps
  • Sampling circuits
  • Pin drivers
  • Bridge circuits
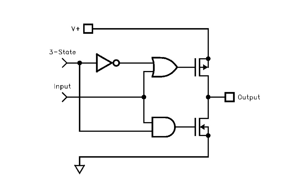
Typical Diagram
Application Notes
TitleTypeUpdatedSizeOther Languages
AN1116: Elantec CMOS applicationsPDF13 Nov 2014231 KB
AN1108: Applying Power MOSFET DriversPDF13 Nov 2014112 KB
AN1093: Current Boosted and DC Stabilized Half Bridge DriverPDF13 Nov 2014101 KB
Datasheets
TitleTypeUpdatedSizeOther Languages
EL7232 DatasheetPDF12 Nov 2015262 KB
Tech Briefs
TitleTypeUpdatedSizeOther Languages
TB458: Converting a Fixed PWM to an Adjustable PWMPDF19 Nov 2014147 KB
White Papers
TitleTypeUpdatedSizeOther Languages
Five Easy Steps to Create a Multi-Load Power SolutionPDF30 Jan 2017502 KB
Order Information
Part NumberPackage TypeWeight(g)PinsMSL RatingPeak Temp (°C)RoHS Status
EL7232CN8 Ld PDIP0.548N/ANA
EL7232CNZ8 Ld PDIP0.548N/ANARoHS
EL7232CS8 Ld SOIC0.07281240
EL7232CS-T78 Ld SOIC T+R0.07281240
EL7232CSZ8 Ld SOIC0.07283260RoHS
EL7232CSZ-T138 Ld SOIC T+R0.07283260RoHS
EL7232CSZ-T78 Ld SOIC T+R0.07283260RoHS
EL7232 Datasheet 12 Nov 2015
8 Ld PDIP ISL84542
8 Ld SOIC T+R ISL1208
EL7232
AN1116: Elantec CMOS applications 13 Nov 2014
AN1108: Applying Power MOSFET Drivers 13 Nov 2014
AN1093: Current Boosted and DC Stabilized Half Bridge Driver 13 Nov 2014
TB458: Converting a Fixed PWM to an Adjustable PWM 19 Nov 2014
Five Easy Steps to Create a Multi-Load Power Solution 30 Jan 2017