ISL54401: Low Voltage, Dual SPDT, USB/Audio Switches with Negative Signal Capability

The Intersil ISL54400, ISL54401, ISL54402 dual SPDT (Single Pole/Double Throw) switches combine low distortion audio and accurate USB 2.0 full speed data signal switching in the same low voltage device. When operated with a 2.5V to 3.6V single supply these analog switches allow audio signal swings below-ground, allowing the use of a common USB and audio headphone connector in Personal Media Players and other portable battery powered devices.

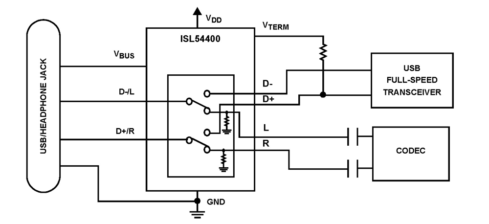
The ISL54400 and ISL54401 incorporate circuitry for detection of the USB VBUS voltage, which is used to switch between the audio and USB signal source in the portable device. In addition, the ISL54400 includes circuitry for generation of a VTERM voltage of 3.3V for use with USB speed setting pull-up resistor.

The ISL54400, ISL54401, ISL54402 are available in 10 Ld 3mm x 3mm TDFN and 10 Ld tiny 2.1mm x 1.6mm ultra-thin µTQFN packages. They operate over a temperature range of -40 to +85°C.

Key Features
  • Low Distortion Negative Signal Capability
  • Detection of VBUS Voltage on USB Cable (ISL54400 and ISL54401)
  • Generation of VTERM Voltage for USB D+/D- Pull-up Resistor (ISL54400)
  • Low Distortion Headphone Audio Signals
    • THD+N at 12mW into 32Ω Load <0.007%
  • Cross-talk (20Hz to 20kHz) -110dB
  • 1.8V Logic Compatible (ISL54402)
  • Single Supply Operation (VDD)
    • ISL54400 and ISL54401 2.5V to 3.6V
    • ISL54402 1.8V to 5.5V
  • Available in Ultra-thin µQFN and TDFN Packages
  • Pb-Free Plus Anneal Available (RoHS Compliant)
Applications
  • MP3 and other Personal Media Players
  • Cellular/Mobile Phones
  • PDA's
  • USB Switching
  • Audio/USB Switching
Typical Diagram
Application Notes
TitleTypeUpdatedSizeOther Languages
AN557: Recommended Test Procedures for Analog SwitchesPDF13 Nov 2014137 KB
Datasheets
TitleTypeUpdatedSizeOther Languages
ISL54400, ISL54401, ISL54402 DatasheetPDF11 Sep 2015511 KB
Tech Briefs
TitleTypeUpdatedSizeOther Languages
TB363: Guidelines for Handling and Processing Moisture Sensitive Surface Mount Devices (SMDs)PDF13 Jan 201529 KB
User Guides
TitleTypeUpdatedSizeOther Languages
ISL5440XEVAL1Z User GuidePDF04 Dec 2014167 KB
Order Information
Part NumberPackage TypeWeight(g)PinsMSL RatingPeak Temp (°C)RoHS Status
ISL54401IRUZ-T10 Ld uTQFN T+R0.004610260RoHS
ISL54401IRZ10 Ld DFN0.022102260RoHS
ISL54401IRZ-T10 Ld DFN T+R0.022102260RoHS
ISL54401EVAL1ZN/ARoHS
ISL54400, ISL54401, ISL54402 Datasheet 11 Sep 2015
10 Ld uTQFN T+R ISL23511
10 Ld DFN T+R ISL54061
ISL54400
AN557: Recommended Test Procedures for Analog Switches 13 Nov 2014
TB363: Guidelines for Handling and Processing Moisture Sensitive Surface Mount Devices (SMDs) 13 Jan 2015
ISL5440XEVAL1Z User Guide 04 Dec 2014