TC787 / TC788 相位控制电路

TC787AP 直插的量产中。其他规格型号测试中,还未量产。

TC787(A、B)、 TC788(A、B)是采用先进IC工艺设计制作的单片集成电路,可单电源工作,亦可双电源工作,主要适用于三相可控硅移相触发电路和三相三极管脉宽调制电路,以构成多种调压调速和变流装置。该电路作为TCA785的换代产品,与目前国内市场上流行的KJ、KC系列电路相比,具有功耗小、功能强、输入阻抗高、抗干扰性能好、移相范围宽,外接元件少等优点;而且装调简便,使用可靠。只需要一块这样的集成电路,就可以完成三块TCA785或五块KC系列器件组合(三块KJ009(KC009)或KJ004(KC004),一块KJ041 (KC041),一块KJ042 (KC042)才能具有的三相移相功能。因此TC787, TC788可广泛应用于三相全控,三相半控,三相过零等电力电子,机电小型化产品的移相触发系统,从而取代TCA785、KJ009(KC009)、KJ004(KC004)、KJ042(KC042)、KC042等同类电路,为提高整机寿命,缩小体积,降低成本提供了一种新的更加有效的途径。

特点
  • 电路单双电源均可工作,单电源8V - 18V,双电源±4V - ±9V 。
  • 三相触发脉冲调相角可在0~180°之间连续同步改变。
  • 识别零点可靠,可方便地用作过零开关。
  • 器件内部设计有交相锁定电路,抗干扰能力强。
  • 可用于三相全控触发(6脚接VDD),也可用于三相间控触发(6脚接地)。
  • 电路备有输出保护禁止端,可在过流过压时保护系统安全。
  • TC787 输出为调制脉冲列,适用于触发可控硅及感性负载。
  • TC788 输出方波,适用于驱动三极管电路。
  • A 型器件典型应用于同步50Hz ,B 型器件典型应用于同步400Hz 。
管脚图

TC787 / TC788 管脚图与管脚功能表

封装形式:该电路采用标准18线塑封。

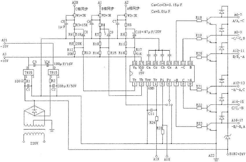
典型应用电路

TC787 / TC788 逻辑框图

管脚定义

符号 功能 管脚号 符号 功能
1 Vc C相同步电压输入 10 B B或B,-A输出
2 Vb B相同步电压输入 11 -C -C或-C,B输出
3 Vcc 地或负电源 12 A A或A,-C输出
4 Vr 移相电压输入 13 Cx 输出脉宽调整电容
5 Pi 禁止端(VH) 14 Cb B相积分电容
6 Pc 全控VH/半控VL 15 Cc C相积分电容
7 -B -B或-B,A输出 16 Ca A相积分电容
8 C C或C,-B输出 17 Vdd 正电源
9 -A -A或-A,C输出 18 Va A相同步电压输入
极限值和推荐工作条件
最大绝对额定值 推荐工作条件
VDD 电源电压 -0.5 ~ 18 V VDD 电源电压 8~18 V
VI 输入电压 -0.5 ~ Vdd V Va,b,c 同步输入电压vp-p VDD V
Top 工作温度 III类 -55 ~ 125 °C PLCVr 控制端输入电压 0~VDD V
II类 -40 ~ 85
Ptop 最大功耗 300 mw F 同步信号频率 10~1000 Hz
Tstg 存储温度 -65 ~ 150 °C T 最佳工作温度 -25~85 °C
电路参数
参数名称 测试条件 参数规范 单位
Vi(V) Vo(V) IOH(mA) VDD(V) 最小 典型 最大
静态电流 IDD 0/10     10   1.5 4 mA
0/15     15   2 6
输出低电平电压 VOL 0/10     10     0.05 V
0/15     15     0.05
输出高电平电压 VOH 0/10     10 9     V
0/15     15 14    
控制端输入低电平电压 VIL   1/9   10     2 V
  1.5/13.5   15     3
控制端输入高电平电压 VIH   9/1   10 8     V
  13.5/1.5   15 12    
输出驱动电压 VOH     0 10 9.1 9.6   V
    10 9 9.2  
    20 8.6 9.1  
    25 8.3 9.0  
    0 15 14.1 14.6  
    10 14.0 14.2  
    20 13.7 14.1  
    25 13.5 14.0  
输出驱动电流 IOL (低态) 0/10 0.5   10 1.3 2.8   mA
0/15 1.5   15 3.4 10.0  
恒流源输出电流 IOC       10   120   μA
      15   180  
恒流源相对误差 ΔIOC       10     ±3 μA
      15     ±5
同步过零窗口电压 VIN       10   5±0.12   V
      15   7.5±0.18  
输入电流 IIN       15     ±0.3 μA

*注一:在同步信号为50HZ时,电容Ca、Cb、Cc建议采用0.15μF电容,相对误差小于5%,以锯齿波线性好,幅度大,不平顶为宜,幅度小可减小电容值,产生平顶则增大电容值。
*注二:电容Cx决定调制脉冲或输出方波的宽度,用0.01μ的电容,脉冲宽度为1mS.。
*注三:在同步信号为50HZ的情况下,如希望输出调制脉冲或方波在0~180°范围满幅可调,则Cx的值应大于0.1μF.。

TC787 / TC788 技术支持
  1. TC787 / TC788 数据手册Datasheet 下载.pdf