L6376 0.5A High Side Driver Quad Intelligent Power Switch
This device is a monolithic quad intelligent power switch in multipower BCD technology, for driving inductive, capacitive or resistive loads. Diagnostic for CPU feedback and extensive use of electrical protections make this device inherently indistructible and suitable for general purpose industrial applications.
技术特性
- Multipower BCD technology
- 0.5 A four independent outputs
- 9.5 to 35 V supply voltage range
- Internal current limit
- Non-dissipative over-current protection
- Thermal shutdown
- Under voltage lockout with hysteresys
- Diagnostic output for under voltage, over temperature and over current
- External asynchronous reset input
- Presettable delay for overcurrent
- Diagnostic
- Open ground protection
- Immunity against burst transient (IEC 61000-4-4)
- ESD protection (human body model ± 2 kV)
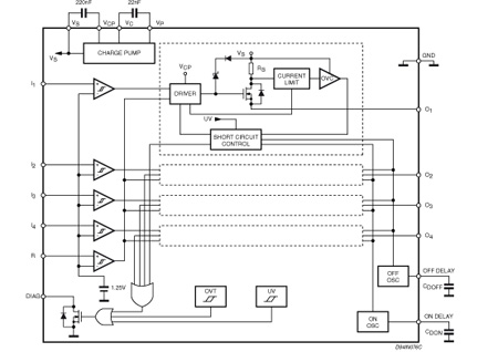
Circuit Diagram
L6376 订购信息
| 订购型号 |
产品状态 |
美金价格 |
数量 |
封装 |
包装形式 |
温度范围 |
材料声明 |
| L6376D |
Active |
4.631 |
1000 |
PowerSO 20 |
Tube |
|
L6376D |
| L6376D013TR |
Active |
4.631 |
1000 |
PowerSO 20 |
Tape And Reel |
|
L6376D013TR |
DATASHEET
| 下载 |
描述 |
版本 |
大小 |
| L6376 |
0.5A high-side driver quad intelligent power switch |
6 |
210KB |
APPLICATION NOTES
| 下载 |
描述 |
版本 |
大小 |
| L6376 |
AN668: A new high power IC surface mount package family: PowerSO-20™ & PowerSO-36 Power IC packaging from insertion to surface mounting |
2 |
599KB |