ST8004 Smartcard Interface for Class A-B Cards; NDS Compliance
The ST8004 is a complete low cost analog interface for asynchronous 3V and 5V smart cards. It can be placed between the card and the microcontroller with few external components to perform all supply protection and control functions. Main applications are: smartcard readers for Set Top Box, IC card readers for banking, identification.
技术特性
- 3V or 5V supply for the IC
- Step-up converter for VCC generation
- 3 specific protected half duplex bi-directional buffered I/O lines
- Automatic activation and deactivation sequences
- Thermal and short-circuit protections on all card contacts
- 26MHz integrated crystal oscillator
- Clock generation for the card up to 20MHz with synchronous frequency changes
- ISO7816-3 compatible
- Enhanced ESD protection on card side
- SO-28 package
- Under voltage lockout protection selectable to 3V or 2.2V
- Supply supervisor integrated
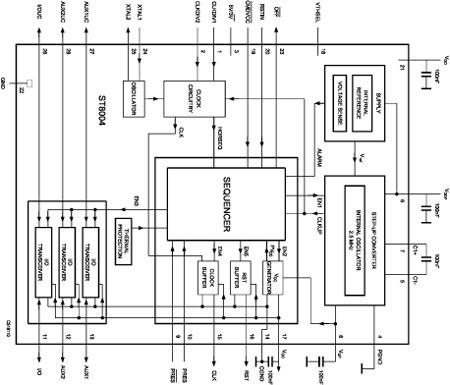
Circuit Diagram
ST8004 订购信息
| 订购型号 |
产品状态 |
美金价格 |
数量 |
封装 |
包装形式 |
温度范围 |
材料声明 |
| ST8004CDR |
Active |
1.24 |
1000 |
SO-28 |
Tape And Reel |
-25 °C-85 °C |
ST8004CDR |
DATASHEET
| 下载 |
描述 |
版本 |
大小 |
| ST8004 |
DS3519: Smartcard interface |
7 |
843KB |
APPLICATION NOTES
| 下载 |
描述 |
版本 |
大小 |
| AN1978 |
AN1978: ST8004: smart card interface |
1 |
535KB |