STUSB03E USB TRANSCEIVER

The STUSB03E is a single chip transceiver that complies with the physical layer specifications of the Universal Serial Bus (USB) v2.0 standard. It has an integrated 5V to 3.3V regulator which allows direct powering from the VBUS. The transceiver has an integrated voltage detector to detect the presence of the VBUS voltage and features an internal D+ pull-up resistor implemented in accordance with the 27% resistor ECN.

The STUSB03E also supports Sharing mode when VBUS is not present, which allows the D+/D– lines to be shared with other serial protocols.

It supports both full-speed (12Mbps) and lowspeed (1.5Mbps) operation. It is also designed to operate down to 1.6V so that it is compatible with lower system voltages of most portable systems, which include PDAs, MP3 Player and Cell phones

技术特性
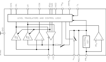
Circuit Diagram
STUSB03E 订购信息
订购型号 产品状态 美金价格 数量 封装 包装形式 温度范围 材料声明
STUSB03EQR Active 2.284 1000 VFQFPN 16 3x3x0.9 Tape And Reel   STUSB03EQR
DATASHEET
下载 描述 版本 大小
STUSB03E DS4964: USB transceiver 2 496KB
USER MANUALS
下载 描述 版本 大小
UM0529 UM0529: STUSB02E and STUSB03 low-speed evaluation boards: STEVAL-PCC004V1 and STEVAL-PCC003V1 1 547KB
UM0284 UM0284: Getting started with the STUSB03E USB full-speed transceiver demonstration board 2 434KB