TSA1203 DUAL CHANNEL

The TSA1203 is a new generation high-speed, dual-channel analog-to-digital converter implemented in a mainstream 0.25µm CMOS technology that offers high performance and very low power consumption.

The TSA1203 is specifically designed for applications requiring a very low noise floor, high SFDR and good insulation between channels. It is based on a pipeline structure and digital error correction to provide high static linearity at FS= 40 Msps, and Fin= 10 MHz.

Each channel has an integrated voltage reference to simplify the design and minimize external components. It is nevertheless possible to use the circuit with external references.

The ADC binary word outputs are multiplexed in a common bus with a small number of pins. A tri-state capability is available for the outputs, allowing chip selection. The inputs of the ADC must be differentially driven.

The TSA1203 is available in extended temperature range (-40°C to +85°C), in a small 48-pin TQFP package

技术特性
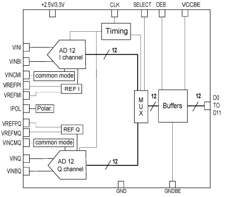
Circuit Diagram
TSA1203 订购信息
订购型号 产品状态 美金价格 数量 封装 包装形式 温度范围 材料声明
TSA1203IF Active   1000 LQFP 48 7x7x1.4 Tray   TSA1203IF
TSA1203IFT Active   1000 LQFP 48 7x7x1.4 Tape And Reel   TSA1203IFT
DATASHEET
下载 描述 版本 大小
TSA1203 DS2231: Dual-channel 12-bit 40Msps 215mW A/D converter 4 432KB