TSA1204 DUAL CHANNEL

The TSA1204 is a new generation of high speed, dual-channel analog-to-digital converters implemented in a mainstream 0.25μm CMOS technology yielding high performance and very low power consumption.

The TSA1204 is specifically designed for applications requiring very low noise floor, high SFDR and good insulation between channels. It is based on a pipeline structure and digital error correction to provide excellent static linearity and over 11.2 effective bits at FS=20 Msps, and Fin=10 MHz.

For each channel, an integrated voltage reference simplifies the design and minimizes external components. It is nevertheless possible to use the circuit with external references.

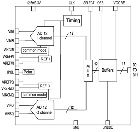
The ADC outputs are multiplexed in a common bus with a small number of pins. A tri-state capability is available for the outputs, allowing chip selection.

The inputs of the ADC must be differentially driven.

The TSA1204 is available in extended (-40˚ C to +85˚ C) temperature range, in a small 48-pin TQFP package

技术特性
Circuit Diagram
TSA1204 订购信息
订购型号 产品状态 美金价格 数量 封装 包装形式 温度范围 材料声明
TSA1204IF Active   1000 LQFP 48 7x7x1.4 Tray   TSA1204IF
TSA1204IFT Active   1000 LQFP 48 7x7x1.4 Tape And Reel   TSA1204IFT
DATASHEET
下载 描述 版本 大小
TSA1204 Dual channel 12-bit 20Msps 120mW A/D converter 4 436KB