AD8251ARMZ-R7:  10 MHz、20 V/µs、G = 1、2、4、8、iCMOS®可编程增益仪表放大器MSOP-10封装

AD8251是一款具有数字式可编程增益的仪表放大器,拥有GΩ级输入阻抗、低输出噪声和低失真等特性,因此适合用来与传感器接口及驱动高采样速率模数转换器(ADC)。它拥有10 MHz带宽、−110 dB的低总谐波失真(THD),以及达到0.001%精度时785 ns的快速建立时间(最大值)。保证的失调漂移和增益漂移分别为1.8 µV/°C和10 ppm/°C(G = 8)。除了输入共模电压范围很宽之外,该器件还拥有80 dB的高共模抑制能力(G = 1,直流至50 kHz)。精密直流性能与高速能力的结合则使AD8251成为数据采集应用的绝佳选择。此外,这款单芯片解决方案简化了设计与制造,并可通过内部电阻与放大器的严格匹配来提高仪器仪表的性能。

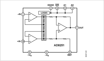
AD8251用户接口包含一个并行端口,用户可以采用以下两种不同的方式设置增益(功能框图请参见数据手册中的图1)。一种方式是用WR输入锁存通过总线发送的2比特字。另一种方式是用透明增益模式,在这一模式下,由增益端口处的逻辑电平状态决定增益。

AD8251采用10引脚MSOP封装,额定温度范围为−40°C至+85°C,特别适合对尺寸和封装密度有严格要求的应用。

产品应用领域 Applications
AD8251ARMZ-R7 特点
AD8251ARMZ-R7 功能框图

AD8251 功能框图

芯片引脚定义图

AD8251ARMZ-R7 技术指标
Single/Dual Supply Dual CMRR (dB) 98dB
Gain Setting Method Pin,Software Vnoise RTI 1-10 Hz µVp-p 1.2µV p-p
Gain Range (min to max) 8 Temperature Range -40 to +85
Bandwidth G=10 (kHz typ) 2500kHz Supply Current 3.5mA
AD8251 订购指南
产品型号 产品状态 封装 引脚 温度范围
AD8251-EVALZ 量产 评估板   工业
AD8251ARMZ 量产 10 ld MSOP 10 工业
AD8251ARMZ-R7 量产 10 ld MSOP 10 工业
AD8251ARMZ-RL 量产 10 ld MSOP 10 工业
AD8251ARMZ-R7 应用技术支持与电子电路设计开发资源下载
  1. 差分放大器系列AD8251 数据手册DataSheet 下载 . pdf
  2. ADI 模拟器件公司比较器产品选型指南 . pdf
  3. 仪表放大器设计者指南(第三版) . pdf
  4. Analog Devices, Inc. 美国模拟器件公司产品订购手册 .pdf