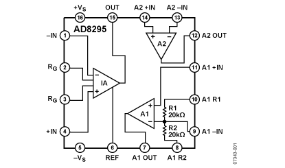
AD8295在4 mm × 4 mm小型封装内集成了精密仪表放大器前端所需的全部器件,其中包含一个高性能仪表放大器、两个通用运算放大器和两个精密匹配的10 kΩ电阻。
AD8295有助于实现轻松且高效的印制电路板布线。AD8295器件布局合理,其典型应用电路仅需较短布线和少量过孔。与大多数芯片级封装不同,AD8295器件背面没有裸露的金属焊盘,从而节省了额外的布线与过孔空间。AD8295采用4 mm × 4 mm LFCSP封装,需要的电路板空间仅为8引脚SOIC封装的一半。
AD8295包含一个高性能可编程增益仪表放大器,其增益可编程范围为1至1000,利用单个电阻即可进行设置。AD8295具有低噪声和出色的共模抑制特性,即使在存在大型共模干扰的情况下,也能够轻松探测微弱信号。欲了解未集成相关信号调理电路的类似仪表放大器,请参考AD8221或AD8222数据手册。
AD8295采用单电源或双电源供电,非常适合使用±10V输入电压的应用。在-40°C至+85°C的整个工业温度范围内,AD8295所有级别的产品均能保证性能。AD8295的工作温度范围为-40°C至+125°C;欲了解器件在高达125°C温度下的工作特性,请参考典型性能特性部分。

AD8295 框图
| Single/Dual Supply | Dual | CMRR (dB) | 140dB |
| Voltage Supply (Vmax) | +36V | Vnoise RTI 1-10 Hz µVp-p | 0.25µV p-p |
| Gain Setting Method | Resistor | Temperature Range | -40 to +85 |
| Gain Range (min to max) | 1000 | Supply Current | 2.3mA |
| Bandwidth G=10 (kHz typ) | 750MHz | Package | CSP |
| 产品型号 | 产品状态 | 封装 | 引脚 | 温度范围 |
|---|---|---|---|---|
| AD8295ACPZ-R7 | 量产 | 16 ld LFCSP (4x4x.85mm, no exposed pad) | 16 | 工业 |
| AD8295ACPZ-RL | 量产 | 16 ld LFCSP (4x4x.85mm, no exposed pad) | 16 | 工业 |
| AD8295ACPZ-WP | 量产 | 16 ld LFCSP (4x4x.85mm, no exposed pad) | 16 | 工业 |
| AD8295BCPZ-R7 | 量产 | 16 ld LFCSP (4x4x.85mm, no exposed pad) | 16 | 工业 |
| AD8295BCPZ-RL | 量产 | 16 ld LFCSP (4x4x.85mm, no exposed pad) | 16 | 工业 |
| AD8295BCPZ-WP | 量产 | 16 ld LFCSP (4x4x.85mm, no exposed pad) | 16 | 工业 |