AS169-73LF PHEMT GaAs IC SPDT Switch
300 kHz–2.5 GHz
The AS169-73 is an IC FET SPDT switch in a low-cost SOT-6 plastic package. The AS169-73 features low insertion loss and positive voltage operation with very low DC power consumption. This general-purpose switch can be used in a variety of telecommunications applications.
技术特性
- P1 dB 30 dBm typical @ 3 V
- IP3 52 dBm typical
- Low insertion loss (0.3 dB @ 0.9 GHz)
- Low DC power consumption
- Ultraminiature low-cost SOT-6 plastic package
- Available lead (Pb)-free and RoHS-compliant MSL-1 @ 260 °C
per JEDEC J-STD-020
订购信息 Ordering Information
|
应用领域 APPLICATION
- General-purpose medium-power switches in
telecommunication applications
- T/R switches in 802.11b, g WLAN BluetoothTM systems
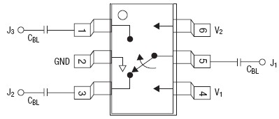
AS169-73LF 引脚定义

|