AS188-92LF PHEMT GaAs IC High-Linearity
Positive Control SPDT Switch 300 kHz–2 GHz
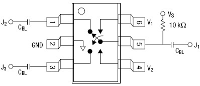
The AS188-92 is a PHEMT GaAs FET IC high-linearity SPDT switch in a SC-70 6-lead plastic package. This switch has been designed for use where extremely high linearity, low insertion loss and ultraminiature package size are required. It can be controlled with positive, negative or a combination of both voltages. Some standard implementations include antenna changeover, T/R and diversity switching over 2 W. The AS188-92 switch can be used in many analog and digital wireless communication systems including cellular, GSM and DECT applications.
技术特性
- High linearity (50 dBm IP3 @ 0.9 GHz) @ 3 V
- Low insertion loss (0.35 dB @ 0.9 GHz)
- 3 V operation
- Ultraminiature SC-70 6-lead package
- Available lead (Pb)-free and RoHS-compliant MSL-1 @ 260 °C
per JEDEC J-STD-020
订购信息 Ordering Information
|
应用领域 APPLICATION
- Typical applications include GSM, PCS, WCDMA, 2.4 GHz ISM
and 3.5 GHz wireless local loop
AS188-92LF 引脚定义

|